十三、文件輸出
在
PCB設計的二個階段中,繪制完成電路板都必須產生二種檔案,分別是電路板PDF文件及ASCII文件,如下說明:
1. 電路板PDF文件
(1) 點選功能表 「 File / Create PDF 」選項,開啟「PDF 組態 (PDF Configuration )」彈窗(如圖43所示)。
圖43 PDF 組態彈窗
(2) 題目要求部份文件不需輸出。依題目要求「頂層配件 (Assembly Top)」文件及「底層配件 (Assembly Bottom)」文件點選后按刪除鈕。
(3) 題目要求選擇黑白輸出。選取「PDF 文件 (PDF Document」,在「顏色方案 (Color scheme)」區塊中,點選「黑白(Black and white)」選項(如圖44所示)。
圖44 刪除配件文件及選擇黑白輸出
(4) 題目要求第三個混合(Composite)文件中不出現零件名稱,選取「PDF 文件 (PDF Document」中的「混合(Composite)」文件,取消勾選「零件類型標籤 (Part type labels)」選項(如圖45所示)。
圖45 混合層不列印零件文字
(5) 測驗時存檔于 第二階段 Second資料夾,檔名:PCB-N-XX.pdf (N為題組,XX為崗位號碼)。
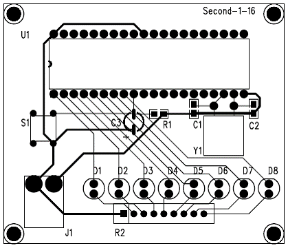
(6) 電路版PDF輸出文件共三頁,分別為頂層文件(如圖圖46)、底層文件(如圖圖47)及混合文件(如圖圖48),注意頂層文件右上角需有檔名,如下所示:
圖46 頂層文件(Top Document)
圖47 底層文件(Bottom Document)
圖48 混合文件(Composite Document)
2. ASC文件
(1) 點選功能表 「File / Export」選項,開啟 「檔案匯出 (File Export)」彈窗(如圖49所示)。
(2) 檔名為第二階段的 Second資料夾,檔名:PCB-N-XX .asc(N為題組,XX為崗位號碼)。
圖49 檔案匯出彈窗
(3) 出現「輸出ASCII (ASCII Output)」彈窗,點選

全部勾選,再點選

輸出檔案(如圖50所示)。
圖50 輸出ASCII 彈窗
※如果PDF產生的電路板太小
(1) 請先將檔案匯出ASC檔(如圖49所示)。
(2) 關閉PASD Layout后,重新開啟。
(3) 再匯入ASC檔(功能表「File / Import」選項)。
(4) 重新建立電路板PDF檔。
深圳宏力捷推薦服務:PCB設計打樣 | PCB抄板打樣 | PCB打樣&批量生產 | PCBA代工代料
